Profil
Fibres musculaires : une organisation inattendue
Fibres musculaires : une organisation inattendue
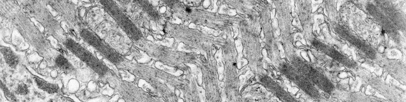
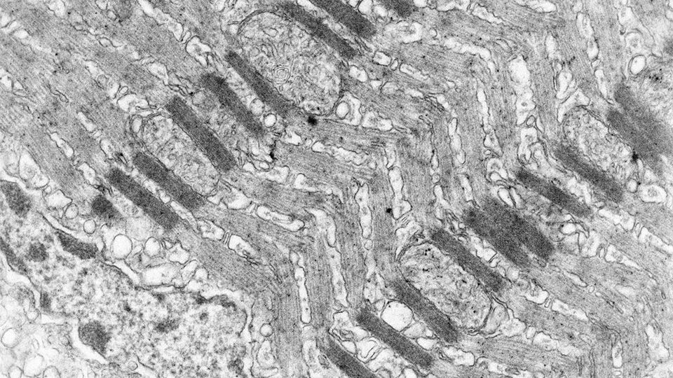
➡ Eric Parmentier, Promoteur PDR FNRS, Prof. Université de Liège et Marc Thiry, Prof. Université de Liège, viennent de faire la découverte inattendue d’une organisation inédite des fibres musculaires chez Parophidion vassali, un poisson qui évolue en mer méditerranée et qui, comme beaucoup de poissons, utilise des muscles spécialisés pour produire des sons.
➡ Une découverte importante qui pourrait bien changer notre compréhension de la contraction musculaire.
➡ Cette recherche fait l’objet d’une publication dans Cell and Tissue Research.
➕ En savoir plus...
